Author Topic: So I pulled the engine...what now?  (Read 3463 times)

0 Members and 1 Guest are viewing this topic.

Offline GardenGnome

  • Enthusiast
  • **
  • Posts: 241
  • 1977 CB550F
So I pulled the engine...what now?
« on: May 28, 2017, 02:06:46 PM »
A buddy and I pulled the motor out of my 1977 CB550F this weekend. I'm prepping the frame for powder coating soon, but I wanted to know now that I have the motor out what would be a good idea to do? What typically needs attention? I'm not very mechanically inclined, but I am up for the challenge.

So far the things I've done to the bike have been rebuilding the carbs and oil pump. These tasks have been relatively easy to accomplish with the help of the forum members and references they give. Thank you in advance for your suggestions.
If I've learned anything about building a motorcycle, it's check and re-check your work before you put it all back together. Although you do gain more experience by doing it twice.

Offline Scott S

  • Global Moderator
  • Really Old Timer ...
  • *****
  • Posts: 8,252
Re: So I pulled the engine...what now?
« Reply #1 on: May 28, 2017, 02:14:05 PM »
 Easy to service the forks and suspension now with the weight off the frame. Steering stem bearings, fork seals, swing arm, etc. And a good cleaning in all the tight spots.
'71 CB500 K0
'17 Triumph Street Scrambler
'81 Yamaha XS650

Offline martin99

  • UK Based, Non-
  • Master
  • *****
  • Posts: 1,730
  • Adventure before Dementia
Re: So I pulled the engine...what now?
« Reply #2 on: May 28, 2017, 02:25:57 PM »
As the harness will be coming off a few hours cleaning/replacing terminals and doing continuity checks could save you hours of pain down the road  ;)
Build threads:
77 750F2 Refresh Project http://forums.sohc4.net/index.php?topic=144075.0
TRIBSA http://forums.sohc4.net/index.php/topic,160296.0.html

1977 CB750 F2
1958 Norton Model 99
2011 Triumph Street Triple 675

Offline BomberMann650

  • Holy Cow! I'm a
  • Really Old Timer ...
  • *******
  • Posts: 6,581
  • Dr. Bovinestein iBa#80333
Re: So I pulled the engine...what now?
« Reply #3 on: May 28, 2017, 02:41:34 PM »
I had 6 weeks wait on my powdercoat.  Great time to clean and polish everything.  Paint small parts.  De rust hardware.  Clean cables.  Order new bits and bobs.  Service the brake system.  Great time to complete an overhaul really

Offline GardenGnome

  • Enthusiast
  • **
  • Posts: 241
  • 1977 CB550F
Re: So I pulled the engine...what now?
« Reply #4 on: May 28, 2017, 03:20:40 PM »
So doing forks is a great idea. What weight oil is a good all around weight to use? I was also thinking bearings for the wheels might be a good one also. What are your thoughts on respoking the wheels, what would be an indication of needing to do something like that?
« Last Edit: May 28, 2017, 03:24:18 PM by GardenGnome »
If I've learned anything about building a motorcycle, it's check and re-check your work before you put it all back together. Although you do gain more experience by doing it twice.

Offline 754

  • Really Old Timer ...
  • *******
  • Posts: 29,046
Re: So I pulled the engine...what now?
« Reply #5 on: May 28, 2017, 03:43:10 PM »
Rust.
Maker of the WELDLESS 750 Frame Kit
dodogas99@gmail.com
Kelowna B.C.       Canada

My next bike will be a ..ANFOB.....

It's All part of the ADVENTURE...

73 836cc.. Green, had it for 3 decades!!
Lost quite a few CB 750's along the way

Offline GardenGnome

  • Enthusiast
  • **
  • Posts: 241
  • 1977 CB550F
Re: So I pulled the engine...what now?
« Reply #6 on: May 28, 2017, 03:55:57 PM »
If rust is what determines a need for respoking, then I think I am in the clear. Thanks, 754.
If I've learned anything about building a motorcycle, it's check and re-check your work before you put it all back together. Although you do gain more experience by doing it twice.

Offline Scott S

  • Global Moderator
  • Really Old Timer ...
  • *****
  • Posts: 8,252
Re: So I pulled the engine...what now?
« Reply #7 on: May 28, 2017, 04:48:53 PM »
 And if you're pulling the forks, at least clean the old ball bearings in kerosene and repack the steering stem with fresh grease.
'71 CB500 K0
'17 Triumph Street Scrambler
'81 Yamaha XS650

Offline Airborne 82nd

  • Expert
  • ****
  • Posts: 828
Re: So I pulled the engine...what now?
« Reply #8 on: May 28, 2017, 05:05:32 PM »
Easy to service the forks and suspension now with the weight off the frame. Steering stem bearings, fork seals, swing arm, etc. And a good cleaning in all the tight spots.

would he want to wait until swingarm comes back from powder?

Offline Scott S

  • Global Moderator
  • Really Old Timer ...
  • *****
  • Posts: 8,252
Re: So I pulled the engine...what now?
« Reply #9 on: May 28, 2017, 05:16:01 PM »
 The bushings should be out for powder. If I was taking all that apart, new bronze bushings would be going back in.
'71 CB500 K0
'17 Triumph Street Scrambler
'81 Yamaha XS650

Offline GardenGnome

  • Enthusiast
  • **
  • Posts: 241
  • 1977 CB550F
Re: So I pulled the engine...what now?
« Reply #10 on: May 28, 2017, 05:20:36 PM »
I hate to sound like I don't know what. I'm talking about, but I do not. Scott S can you please clarify what bushings you're referencing to? Thank you.
If I've learned anything about building a motorcycle, it's check and re-check your work before you put it all back together. Although you do gain more experience by doing it twice.

Offline Scott S

  • Global Moderator
  • Really Old Timer ...
  • *****
  • Posts: 8,252
Re: So I pulled the engine...what now?
« Reply #11 on: May 28, 2017, 05:29:30 PM »
I hate to sound like I don't know what. I'm talking about, but I do not. Scott S can you please clarify what bushings you're referencing to? Thank you.

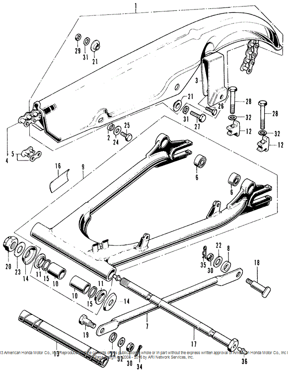
 The factory uses plastic bushings where the pivot bolt goes through. There were a couple of different swing arm designs, but there are inner metal bushings, so to speak, as well. Those sometimes will slide out. Others need to be pressed out. The plastic outer bushings will melt in a powder coating oven, as will the rubber bushes at the rear for the lower shock mount.
 Remove all the old parts, install new bronze bushings where the plastic ones went, grease everything and reassemble.
 Part #'s 10, 11 and 15 are replaced by the one piece bronze bushing. Part #15 is a felt seal. Part #11 is plastic. You can also see part #6 in the pics below. Some people say it holds up to the oven, but there IS rubber inside that bushing.


« Last Edit: May 28, 2017, 05:34:36 PM by Scott S »
'71 CB500 K0
'17 Triumph Street Scrambler
'81 Yamaha XS650

Offline GardenGnome

  • Enthusiast
  • **
  • Posts: 241
  • 1977 CB550F
Re: So I pulled the engine...what now?
« Reply #12 on: May 28, 2017, 05:45:42 PM »
Ah, I gotcha. I was looking at this earlier today because I took off this part. The online manual calls it the rear fork, unless I was being a complete dumb dumb, but yes I was thinking that these parts should be replaced. Let me tell you what a complete pain I the butt that stuff is to remove..yikes! Thank for detailing that for me Scott S.
If I've learned anything about building a motorcycle, it's check and re-check your work before you put it all back together. Although you do gain more experience by doing it twice.

Offline GardenGnome

  • Enthusiast
  • **
  • Posts: 241
  • 1977 CB550F
Re: So I pulled the engine...what now?
« Reply #13 on: May 28, 2017, 06:00:26 PM »
Any suggestions how to take these bushings out would be greatly appreciated, pushing on them is a great way to break thumbs haha, and I tried a punch and hammer and nothing. Just used some PB on them to see if that will loosen them up. I'll try again in a few min after the PB has hopefully worked its magic.
If I've learned anything about building a motorcycle, it's check and re-check your work before you put it all back together. Although you do gain more experience by doing it twice.

Offline GardenGnome

  • Enthusiast
  • **
  • Posts: 241
  • 1977 CB550F
Re: So I pulled the engine...what now?
« Reply #14 on: May 28, 2017, 06:19:16 PM »
Calj737, I was doing it wrong the whole time....I am not a smart man. But I do thank you for your insight.

Edit: Just tried from the other side, no luck. I really don't want to do any cutting or anything that might jeopardize the swing arm. I am kind of at a loss on how to get these out. 
« Last Edit: May 28, 2017, 06:26:02 PM by GardenGnome »
If I've learned anything about building a motorcycle, it's check and re-check your work before you put it all back together. Although you do gain more experience by doing it twice.

Offline BomberMann650

  • Holy Cow! I'm a
  • Really Old Timer ...
  • *******
  • Posts: 6,581
  • Dr. Bovinestein iBa#80333
Re: So I pulled the engine...what now?
« Reply #15 on: May 28, 2017, 06:29:05 PM »
Takes Heat, lubrication, and sometimes a larger hammer to remove a swingarm bushing.

Offline GardenGnome

  • Enthusiast
  • **
  • Posts: 241
  • 1977 CB550F
Re: So I pulled the engine...what now?
« Reply #16 on: May 28, 2017, 06:30:50 PM »
When you say heat, um would a heat gun work? Or are more extreme measures needed, i.e. a propane torch?
If I've learned anything about building a motorcycle, it's check and re-check your work before you put it all back together. Although you do gain more experience by doing it twice.

Offline BomberMann650

  • Holy Cow! I'm a
  • Really Old Timer ...
  • *******
  • Posts: 6,581
  • Dr. Bovinestein iBa#80333
Re: So I pulled the engine...what now?
« Reply #17 on: May 28, 2017, 06:38:37 PM »
I'd go for electric heat because paint and grease fires are hard to put out.

Offline GardenGnome

  • Enthusiast
  • **
  • Posts: 241
  • 1977 CB550F
Re: So I pulled the engine...what now?
« Reply #18 on: May 28, 2017, 07:29:16 PM »
Thanks you guys. I know my posts in general aren't anything of a riveting nature, but I really do appreciate the time you all take to give your inputs and suggestions. That being said, I will try both ideas if needed and see where it takes me.

Also just to clarify rebuilding my forks, um doing the bearings of steering stems, wheels, swing arm (let me know if there's any other bushing i need to look at), order new cables for throttle, brakes and clutch. If there's anything I missed or anything for that matter that anyone else has an opinion about needing to be done I am all ears.

When it comes to the motor, what servicing should I be looking at. Lastly since I'm on the motor topic now, I have a feeling that I am going to need to take some extreme measures on the valve/tappet screw/covers. I tried just for the heck of it to see what it would take to get those off and let me tell you on my motor those puppies are really on there. I'll try some heat tomorrow and some more PB to bust em loose.

Thanks again!
If I've learned anything about building a motorcycle, it's check and re-check your work before you put it all back together. Although you do gain more experience by doing it twice.

Offline GardenGnome

  • Enthusiast
  • **
  • Posts: 241
  • 1977 CB550F
Re: So I pulled the engine...what now?
« Reply #19 on: May 29, 2017, 08:54:52 AM »
Calj737 thank you for the detail in your reply. All of that will keep me busy for a while.
If I've learned anything about building a motorcycle, it's check and re-check your work before you put it all back together. Although you do gain more experience by doing it twice.

Offline GardenGnome

  • Enthusiast
  • **
  • Posts: 241
  • 1977 CB550F
Re: So I pulled the engine...what now?
« Reply #20 on: May 29, 2017, 11:01:19 AM »
A propane torch.

Another method is to make a blind bearing puller. You take a bolt that gets a washer that is the diameter of the bearing/bushing. But you must grind the sides off so that the washer becomes ovate and will pass inside the bushing (tilt it, slide it in, rotate back to flat so it pulls against the underside) and the bolt is tightened up from the outside with a washer pulling down on a socket that sit on top of the swing arm.

I know this sounds confusing when reading it, but it's pretty easy really. Few turns of a ratchet, and the busing will come to you. Plenty of penetrating oil and some heat also help coax it out.

Calj737 I found a similar process to what you were talking about. https://www.youtube.com/watch?v=JfFYaHgV7K0 I ended up doing this and it worked perfectly! I also was able to get the center piece collar on the swing arm out using an oak dowel rod that happened to be lying around, all that remains is the bushings, but those seems like a tricky you know what to get out.
If I've learned anything about building a motorcycle, it's check and re-check your work before you put it all back together. Although you do gain more experience by doing it twice.

Offline GardenGnome

  • Enthusiast
  • **
  • Posts: 241
  • 1977 CB550F
Re: So I pulled the engine...what now?
« Reply #21 on: May 29, 2017, 05:15:50 PM »
Great success! Ended up getting the old plasticy bushings out with a little PB, propane torch, and an hitting an oak dowel rod that I set on the inside lip. Worked great. The video from HackAWeek about how to put those new brass bushings in seems like the way to go. Thanks again!
If I've learned anything about building a motorcycle, it's check and re-check your work before you put it all back together. Although you do gain more experience by doing it twice.

Offline GardenGnome

  • Enthusiast
  • **
  • Posts: 241
  • 1977 CB550F
Re: So I pulled the engine...what now?
« Reply #22 on: May 29, 2017, 05:53:03 PM »
Install the new bushings after you paint or powder coat or whatever you plan.

Noted, thanks again Calj737!
If I've learned anything about building a motorcycle, it's check and re-check your work before you put it all back together. Although you do gain more experience by doing it twice.