Author Topic: Chain oiler plug from Joker Machine  (Read 2198 times)

0 Members and 1 Guest are viewing this topic.

Offline jebon

  • Hot Shot
  • ***
  • Posts: 291
Chain oiler plug from Joker Machine
« on: March 18, 2022, 08:33:15 AM »
I should have planned this better. The plug doesn't go all the way in for some reason. Not sure if it actually covers the hole. Anyone tried this?
"Don't let schooling interfere with your education"
---
CB750 K0 1971

Offline Alan F.

  • We remember the Night Rider, and we know who you are.
  • Really Old Timer ...
  • *******
  • Posts: 7,651
Re: Chain oiler plug from Joker Machine
« Reply #1 on: March 18, 2022, 08:43:49 AM »
https://jokermachine.com/products/cb750-chain-oiler-plug

Seems like a bad idea to potentially add that much silicone to your oiling system.

A chain saw spark plug is cheaper & short enough to fit under the cover & it comes with its own aluminum crush washer. I wouldn't trust a non-threaded plug held in with sealant.

Offline PeWe

  • Really Old Timer ...
  • *******
  • Posts: 16,449
  • Bike almost back to the 70's 2015
Re: Chain oiler plug from Joker Machine
« Reply #2 on: March 18, 2022, 08:44:12 AM »
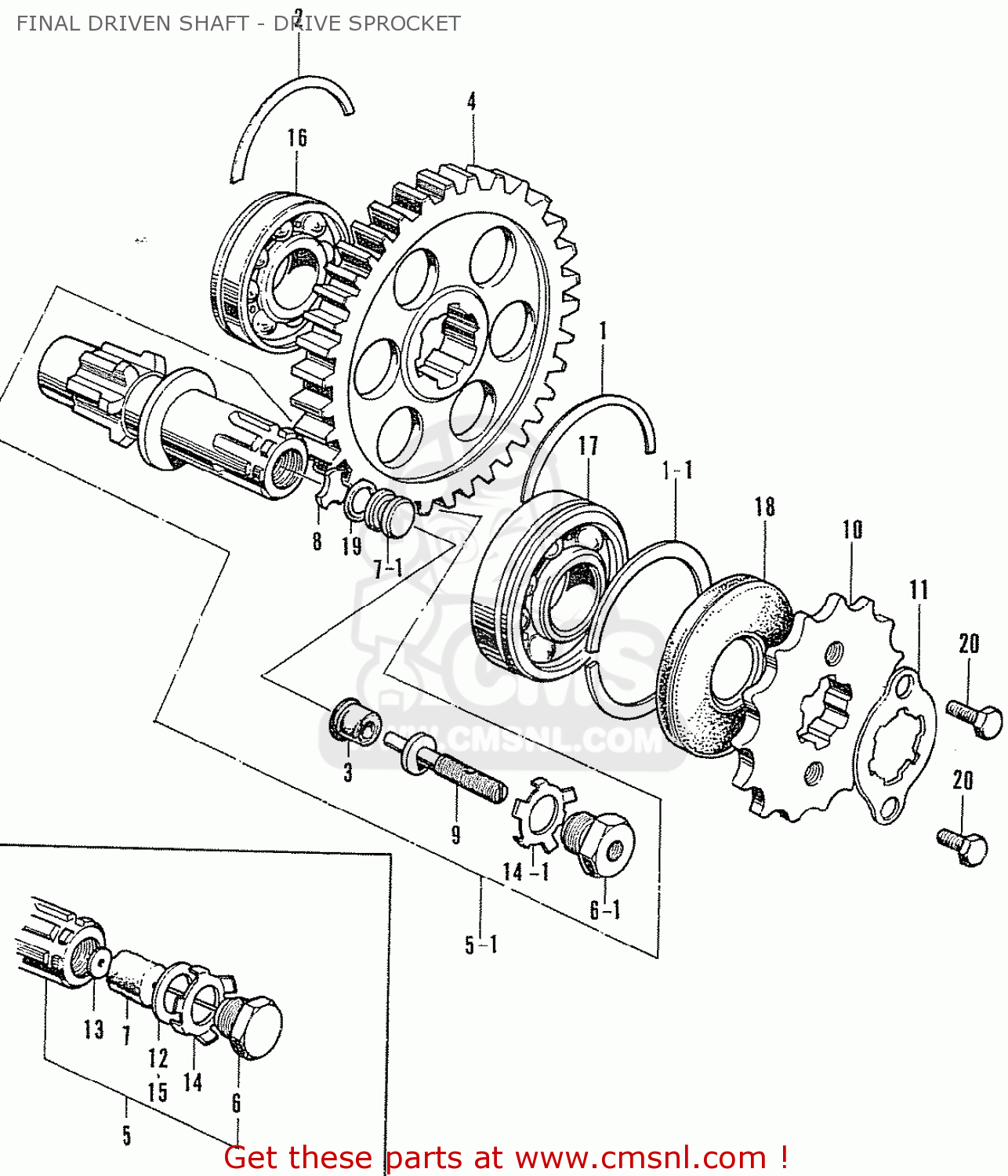
Probably need to remove the sinter metal plug with a triangle "washer"  under it. Both sits in the bottom of the oiler hole.

The plug with o-ring and triangle thing under. Only pushed inside.

https://images.cmsnl.com/img/partslists/honda-cb750k2-four-1972-usa-final-driven-shaft-drive-sprocket_bigma000039e21_674f.gif
« Last Edit: March 18, 2022, 08:50:06 AM by PeWe »
CB750 K6-76  970cc (Earlier 1005cc JMR Billet block on the shelf waiting for a comeback)
CB750 K2-75 Parts assembled to a stock K2

Updates of the CB750 K6 -1976
http://forums.sohc4.net/index.php/topic,180468.msg2092136.html#msg2092136
The billet block build thread
http://forums.sohc4.net/index.php/topic,49438.msg1863571.html#msg1863571
CB750 K2 -1975  build thread
http://forums.sohc4.net/index.php/topic,168243.msg1948381.html#msg1948381
K2 engine build thread. For a complete CB750 -75
http://forums.sohc4.net/index.php/topic,180088.msg2088008.html#msg2088008
Carb jetting, a long story Mikuni TMR32
http://forums.sohc4.net/index.php/topic,179479.msg2104967.html#msg2104967

Offline jebon

  • Hot Shot
  • ***
  • Posts: 291
Re: Chain oiler plug from Joker Machine
« Reply #3 on: March 18, 2022, 09:19:22 AM »
Thanks.
I think I'll try and pull it again. I need to replace the swing arm bushings anyway. Maybe that'll give me a little more space to work it.
"Don't let schooling interfere with your education"
---
CB750 K0 1971

Offline RAFster122s

  • I feel like a really really
  • Really Old Timer ...
  • *******
  • Posts: 12,569
  • SOHC4 member # 2605
Re: Chain oiler plug from Joker Machine
« Reply #4 on: March 18, 2022, 02:13:42 PM »
You do not want the potential or an oil passage blocking small chunk of silicone to break free and destroy your motor. Yank that sucker out of the motor and carefully pick out and scrape out every trace of silicone. Otherwise you might be rebuilding your 750 motor sooner rather than later...
« Last Edit: March 18, 2022, 05:28:40 PM by RAFster122s »
David- back in the desert SW!

Offline jebon

  • Hot Shot
  • ***
  • Posts: 291
Re: Chain oiler plug from Joker Machine
« Reply #5 on: March 18, 2022, 03:35:13 PM »
Yes, that's what I thought too.
I just rebuilt the engine - too soon to split it again
Got the plug out. Will start scraping when the Hondabond is dry
Thanks!
"Don't let schooling interfere with your education"
---
CB750 K0 1971

Offline RAFster122s

  • I feel like a really really
  • Really Old Timer ...
  • *******
  • Posts: 12,569
  • SOHC4 member # 2605
Re: Chain oiler plug from Joker Machine
« Reply #6 on: March 18, 2022, 05:26:44 PM »
Honda bond usually won't migrate unless you use a ton of it... And it is designed not to dry completely when between two sealing surfaces...

That's the issue with mechanics who go by the philosophy if a little is good a lot is even better. Your material needs for sealants should be small...or you are trying to solve a I'll fitting parts problem, this is a Japanese motorcycle by Honda, if you need more than a thin film your gasket is wrong and you shouldn't need much if any or non at all on most gaskets in our SOHC4 motorcycle motors.
Only the top cover is one which has a propensity for leaks and sometimes that traces to wrong sized replacement gaskets being used.

Be thankful you aren't dealing with a CX motor which incorrect gasket thickness can cause mechanical issues or early component failures. I am not talking about head gaskets either. A rear cover gasket that is too thin can cause a early stator failure a few learned because the stator moved too close to the flywheel because a thin gasket... The heat of a very hot summer day and high electrical load cause the copper of the stator to grow and the varnish or insulation coating of the stator was brushed by the flywheel and that cause the coating to crack and come off and vibration & rough roads lead to the copper wire coming free and a hot spot and then the wire moved and was shorting to the flywheel, stator failure!
David- back in the desert SW!

Offline scottly

  • Global Moderator
  • Really Old Timer ...
  • *****
  • Posts: 17,600
  • Humboldt, AZ
Re: Chain oiler plug from Joker Machine
« Reply #7 on: March 18, 2022, 06:45:43 PM »
Joker says "Then pound the chain oiler plug in place". ::) I made one that threaded in until it seated against the sintered (porous) plug, and used teflon tape on the threads. BTW, any sealant wouldn't get through that plug, and even if it did, the oiler is fed from the oil-air separator drain in the oil tank, not the pressurized oil system. 
« Last Edit: March 18, 2022, 06:51:00 PM by scottly »
Don't fix it if it ain't broke!
Helmets save brains. Always wear one and ride like everyone is trying to kill you....

Offline PeWe

  • Really Old Timer ...
  • *******
  • Posts: 16,449
  • Bike almost back to the 70's 2015
Re: Chain oiler plug from Joker Machine
« Reply #8 on: March 18, 2022, 11:26:16 PM »
Joker says "Then pound the chain oiler plug in place". ::) I made one that threaded in until it seated against the sintered (porous) plug, and used teflon tape on the threads. BTW, any sealant wouldn't get through that plug, and even if it did, the oiler is fed from the oil-air separator drain in the oil tank, not the pressurized oil system.
That plug look good. ;)
All others I have seen are way too big and must be removed to get the sprocket on-off.
« Last Edit: March 18, 2022, 11:28:45 PM by PeWe »
CB750 K6-76  970cc (Earlier 1005cc JMR Billet block on the shelf waiting for a comeback)
CB750 K2-75 Parts assembled to a stock K2

Updates of the CB750 K6 -1976
http://forums.sohc4.net/index.php/topic,180468.msg2092136.html#msg2092136
The billet block build thread
http://forums.sohc4.net/index.php/topic,49438.msg1863571.html#msg1863571
CB750 K2 -1975  build thread
http://forums.sohc4.net/index.php/topic,168243.msg1948381.html#msg1948381
K2 engine build thread. For a complete CB750 -75
http://forums.sohc4.net/index.php/topic,180088.msg2088008.html#msg2088008
Carb jetting, a long story Mikuni TMR32
http://forums.sohc4.net/index.php/topic,179479.msg2104967.html#msg2104967

Offline RAFster122s

  • I feel like a really really
  • Really Old Timer ...
  • *******
  • Posts: 12,569
  • SOHC4 member # 2605
Re: Chain oiler plug from Joker Machine
« Reply #9 on: March 19, 2022, 01:01:10 AM »
Joker says "Then pound the chain oiler plug in place". ::) I made one that threaded in until it seated against the sintered (porous) plug, and used teflon tape on the threads. BTW, any sealant wouldn't get through that plug, and even if it did, the oiler is fed from the oil-air separator drain in the oil tank, not the pressurized oil system. 

That is pretty funny Scott!

Maybe you should make up a dozen of yours and sell them... Yours looks super clean...much better solution than the others.
I like the Teflon pipe thread tape, it shouldn't migrate if a bit gets cut lose what is the likelihood of any recirculating into the oil system? A chunk of silicone or Hondabond/Yamabond can circulate, if it works it's way back when the bike is turned off...
But blocking the port is going to essentially close off and make that branch fairly static and no oil will move into that feed from wherever it branches off.

Anyone got good cutaway drawings to illustrate the oil system. Ideally it might be nice to know the sizes of the case's oil passages.

Too bad Mike R hasn't made billet cases to go with his billet  block or he would have replicated the passages some how and done the homework to know the volume/pressures and therefore the sizes of those passages with some engineering experiments with calibrated volumes and pressures to do some mathematically calculations on a pump supplying X pressure by tapping into every port/line of a case he could determine the pressures of every area of the stock cases (sacrificing a set of cases to plumb in all these gauges...) by measuring the pressure of and operating motor with a new or rebuilt pump you have measured it's pressure and volume of flow in a scavenged set of cases you don't have to have a operating engine just part of a car or a jig to operate the pump in a fixture to measure it's std output at various rpms...
Then billet cases or a multiplane/multi-piece billet case could be designed as assembled cases ...using hard lines to carry the oil to areas that have cast oil feed passages.
I really cannot wrap my head around how they cast oil passages in a block that is cast...

Anyway...sorry for the segue into off topic and probably a hard but to follow...too much thinking out loud style writing... and writing a post on the mobile platform (phone,) is not conducive to re reading and seeing what you have written and editing it...
Ill shut up, good night...glad you have a plan on fixing your joker machine install.
David- back in the desert SW!

Offline PeWe

  • Really Old Timer ...
  • *******
  • Posts: 16,449
  • Bike almost back to the 70's 2015
Re: Chain oiler plug from Joker Machine
« Reply #10 on: March 19, 2022, 10:01:52 AM »
Cut a groove into Scottly's plug that match a std size o-ring should complete it.

Tighten it with a drop of weak threadlocker like Loctite 222 (purple) that does not allow it to come lose.

The 2 bolts holding the sprocket also get Loctite 222.
« Last Edit: March 19, 2022, 10:05:57 AM by PeWe »
CB750 K6-76  970cc (Earlier 1005cc JMR Billet block on the shelf waiting for a comeback)
CB750 K2-75 Parts assembled to a stock K2

Updates of the CB750 K6 -1976
http://forums.sohc4.net/index.php/topic,180468.msg2092136.html#msg2092136
The billet block build thread
http://forums.sohc4.net/index.php/topic,49438.msg1863571.html#msg1863571
CB750 K2 -1975  build thread
http://forums.sohc4.net/index.php/topic,168243.msg1948381.html#msg1948381
K2 engine build thread. For a complete CB750 -75
http://forums.sohc4.net/index.php/topic,180088.msg2088008.html#msg2088008
Carb jetting, a long story Mikuni TMR32
http://forums.sohc4.net/index.php/topic,179479.msg2104967.html#msg2104967

Offline jebon

  • Hot Shot
  • ***
  • Posts: 291
Re: Chain oiler plug from Joker Machine
« Reply #11 on: March 19, 2022, 12:11:17 PM »
I started picking out some of the Hondabond but there's no way I can clean it out completely with the engine assembled.
I fitted the original "oiler" back in. My plan is to change the oil and drive it this season. The bike will be taken apart next winter for painting the frame.
Then maybe I'll split the cases and clean it up thoroughly. Btw I left out the oil tray when building the engine so I don't know why I even did this  :-\
If anyone sees this and considers putting in one of these, I don't recommend it unless the engine is apart.
"Don't let schooling interfere with your education"
---
CB750 K0 1971

Offline newday777

  • Really Old Timer ...
  • *******
  • Posts: 7,134
  • Avatar is my 76 K6 in Colorado w/Cody on back 1980
Re: Chain oiler plug from Joker Machine
« Reply #12 on: March 04, 2023, 03:14:20 AM »
I started picking out some of the Hondabond but there's no way I can clean it out completely with the engine assembled.
I fitted the original "oiler" back in. My plan is to change the oil and drive it this season. The bike will be taken apart next winter for painting the frame.
Then maybe I'll split the cases and clean it up thoroughly. Btw I left out the oil tray when building the engine so I don't know why I even did this  :-\
If anyone sees this and considers putting in one of these, I don't recommend it unless the engine is apart.

Hey jebon did you do anything with this? How's your bike doing with the Hondabond in it?
Stu
Honda Parts manager in the mid 1970s Nashua Honda
My current rides
1975 K5 Planet Blue my summer ride, it was a friend's bike I worked with at the Honda shop in 76, lots of fun to be on it again
1976 K6 Anteres Red rebuilding project, was originally my brother's that I set up from the crate, it'll breath again soon!
Project 750s, 1 K2, 4 K6, 1 K8, 1 F1, 1 F3
2008 GL1800 my daily ride and cross country runner

Prior bikes....
1972 Suzuki GT380 I had charge of it for a year in 1973 while my friend was deployed and learned to love street riding....
New CB450 K7 after my friend returned...
New CB750 K5 Planet Blue, demise by ex cousin in law at 9,000 miles...
New CB750 K6 Anteres Red, to replace the totaled K5, I sold this K6 at 45k in 1983, I had heavily modified it, many great memories on it and have missed it greatly.....
1983 GL1100A, 1999 GL1500 SE, 1999 GL1500A

Offline jebon

  • Hot Shot
  • ***
  • Posts: 291
Re: Chain oiler plug from Joker Machine
« Reply #13 on: March 04, 2023, 03:56:06 AM »
I didn't do anything other than crossing fingers
"Don't let schooling interfere with your education"
---
CB750 K0 1971

Offline newday777

  • Really Old Timer ...
  • *******
  • Posts: 7,134
  • Avatar is my 76 K6 in Colorado w/Cody on back 1980
Re: Chain oiler plug from Joker Machine
« Reply #14 on: March 04, 2023, 03:57:10 AM »
I didn't do anything other than crossing fingers

So still running good?
Stu
Honda Parts manager in the mid 1970s Nashua Honda
My current rides
1975 K5 Planet Blue my summer ride, it was a friend's bike I worked with at the Honda shop in 76, lots of fun to be on it again
1976 K6 Anteres Red rebuilding project, was originally my brother's that I set up from the crate, it'll breath again soon!
Project 750s, 1 K2, 4 K6, 1 K8, 1 F1, 1 F3
2008 GL1800 my daily ride and cross country runner

Prior bikes....
1972 Suzuki GT380 I had charge of it for a year in 1973 while my friend was deployed and learned to love street riding....
New CB450 K7 after my friend returned...
New CB750 K5 Planet Blue, demise by ex cousin in law at 9,000 miles...
New CB750 K6 Anteres Red, to replace the totaled K5, I sold this K6 at 45k in 1983, I had heavily modified it, many great memories on it and have missed it greatly.....
1983 GL1100A, 1999 GL1500 SE, 1999 GL1500A

Offline MauiK3

  • A K3 is saved
  • Really Old Timer ...
  • *******
  • Posts: 5,213
  • Old guy
Re: Chain oiler plug from Joker Machine
« Reply #15 on: March 04, 2023, 07:35:35 AM »
I don't like the "pound it in" part at all.
1973 CB 750 K3
10/72 build Z1 Kawasaki

Offline newday777

  • Really Old Timer ...
  • *******
  • Posts: 7,134
  • Avatar is my 76 K6 in Colorado w/Cody on back 1980
Re: Chain oiler plug from Joker Machine
« Reply #16 on: March 04, 2023, 08:05:51 AM »
I don't like the "pound it in" part at all.
I don't either and will probably have a friend machine one out like Scott made that screws in.
Stu
Honda Parts manager in the mid 1970s Nashua Honda
My current rides
1975 K5 Planet Blue my summer ride, it was a friend's bike I worked with at the Honda shop in 76, lots of fun to be on it again
1976 K6 Anteres Red rebuilding project, was originally my brother's that I set up from the crate, it'll breath again soon!
Project 750s, 1 K2, 4 K6, 1 K8, 1 F1, 1 F3
2008 GL1800 my daily ride and cross country runner

Prior bikes....
1972 Suzuki GT380 I had charge of it for a year in 1973 while my friend was deployed and learned to love street riding....
New CB450 K7 after my friend returned...
New CB750 K5 Planet Blue, demise by ex cousin in law at 9,000 miles...
New CB750 K6 Anteres Red, to replace the totaled K5, I sold this K6 at 45k in 1983, I had heavily modified it, many great memories on it and have missed it greatly.....
1983 GL1100A, 1999 GL1500 SE, 1999 GL1500A

Offline ekpent

  • Really Old Timer ...
  • *******
  • Posts: 13,508
  • To many bikes-but lookin' for more
Re: Chain oiler plug from Joker Machine
« Reply #17 on: March 04, 2023, 08:16:23 AM »
 Wasn't the shade tree bush fix back in the day to pop a spark plug base in there ?

Offline Ellz10

  • ZZ
  • Expert
  • ****
  • Posts: 759
  • Knowledge is Power
Re: Chain oiler plug from Joker Machine
« Reply #18 on: March 06, 2023, 07:48:10 PM »
That's the issue with mechanics who go by the philosophy if a little is good a lot is even better. Your material needs for sealants should be small...or you are trying to solve a I'll fitting parts problem, this is a Japanese motorcycle by Honda, if you need more than a thin film your gasket is wrong and you shouldn't need much if any or non at all on most gaskets in our SOHC4 motorcycle motors.

I learned this the hard way, but learned it quickly, hah! Didn't make the same mistake again!

Well said Raf.
Thankful for everyone on this forum. Grateful to continue to learn so much.



'77 K7 - http://forums.sohc4.net/index.php/topic,193043.msg2251436/topicseen.html#new

Offline Maltboy

  • Pitter-patter, let's git at 'er!
  • Hot Shot
  • ***
  • Posts: 272
  • Making stupid mistakes since 1959
Re: Chain oiler plug from Joker Machine
« Reply #19 on: March 07, 2023, 09:45:44 AM »
I welded the oiler holes shut and used Honda Bond on the threads. Seems to be holding up fine.



Offline HondaMan

  • Someone took this pic of me before I became a
  • Really Old Timer ...
  • *******
  • Posts: 15,450
  • ...not my choice, I was nicknamed...
    • Getting 'em Back on the Road
Re: Chain oiler plug from Joker Machine
« Reply #20 on: March 07, 2023, 06:11:11 PM »
Wasn't the shade tree bush fix back in the day to pop a spark plug base in there ?

Either that, or while the cases were apart to repair the chain damage from the untended chain, the little oil catch-pan inside the engine was just removed...
See SOHC4shop.com for info about the gadgets I make for these bikes.

The demons are repulsed when a man does good. Use that.
Blood is thicker than water, but motor oil is thicker yet...so, don't mess with my SOHC4, or I might have to hurt you.
Hondaman's creed: "Bikers are family. Treat them accordingly."

Link to Hondaman Ignition: http://forums.sohc4.net/index.php?topic=67543.0

Link to My CB750 Book: https://www.lulu.com/search?adult_audience_rating=00&page=1&pageSize=10&q=my+cb750+book
Link to My CB500/CB550 Book: https://www.lulu.com/search?sortBy=RELEVANCE&page=1&q=my+cb550+book&pageSize=10&adult_audience_rating=00
Link to website: https://sohc4shop.com/  (Note: no longer at www.SOHC4shop.com, moved off WWW. in 2024).

Offline ekpent

  • Really Old Timer ...
  • *******
  • Posts: 13,508
  • To many bikes-but lookin' for more
Re: Chain oiler plug from Joker Machine
« Reply #21 on: March 07, 2023, 07:16:20 PM »
Wasn't the shade tree bush fix back in the day to pop a spark plug base in there ?

Either that, or while the cases were apart to repair the chain damage from the untended chain, the little oil catch-pan inside the engine was just removed...
Yes the original poster Jebon mentioned in reply #11 he had removed the pan so the plug hassle for him was not needed.

Offline Don R

  • My Sandcast is a
  • Really Old Timer ...
  • *******
  • Posts: 21,623
  • Saver of unloved motorcycles.
Re: Chain oiler plug from Joker Machine
« Reply #22 on: March 11, 2023, 10:18:12 AM »
 I had a can of left over hardware from a T250 Suzuki that spent a decade in a shed at a concrete plant with chloride. I already parted it out but this can of stuff was left over. Anyway, in it was a pair of plugs that appear to be the same thread as the cb chain oiler. Maybe I can stop some drippage in my older 750's.
« Last Edit: March 11, 2023, 10:40:04 AM by Don R »
No matter how many times you paint over a shadow, it's still there.
 CEO at the no kill motorcycle shop.
 You don't need a weatherman to know which way the wind blows.

Offline HondaMan

  • Someone took this pic of me before I became a
  • Really Old Timer ...
  • *******
  • Posts: 15,450
  • ...not my choice, I was nicknamed...
    • Getting 'em Back on the Road
Re: Chain oiler plug from Joker Machine
« Reply #23 on: March 11, 2023, 11:18:36 AM »
Mostly, I just replace the rubber seal on these oilers, and then set it at 1/4 turn out. Then it only works at freeway speeds, and requires some chain spray when used in commuting service because the speeds aren't high enough to oil it.

The rubber seals can be replaced with 2 (or 3 if skinny) O-rings instead of the old rubber donut.
See SOHC4shop.com for info about the gadgets I make for these bikes.

The demons are repulsed when a man does good. Use that.
Blood is thicker than water, but motor oil is thicker yet...so, don't mess with my SOHC4, or I might have to hurt you.
Hondaman's creed: "Bikers are family. Treat them accordingly."

Link to Hondaman Ignition: http://forums.sohc4.net/index.php?topic=67543.0

Link to My CB750 Book: https://www.lulu.com/search?adult_audience_rating=00&page=1&pageSize=10&q=my+cb750+book
Link to My CB500/CB550 Book: https://www.lulu.com/search?sortBy=RELEVANCE&page=1&q=my+cb550+book&pageSize=10&adult_audience_rating=00
Link to website: https://sohc4shop.com/  (Note: no longer at www.SOHC4shop.com, moved off WWW. in 2024).